1.
Aliran Tenaga Transmisi Roda Gigi Geser
![]() |
| Posisi gigi 1 ( putaran lambat, momen besar ) |
![]() |
| Posisi gigi 2 = ( putaran lebih cepat, momen lebih kecil ) |
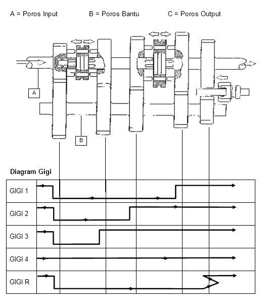
3. Transmisi Dua
Poros
4.
Transmisi
Tiga Poros
Sign up here with your email




Conversion Conversion Emoticon Emoticon